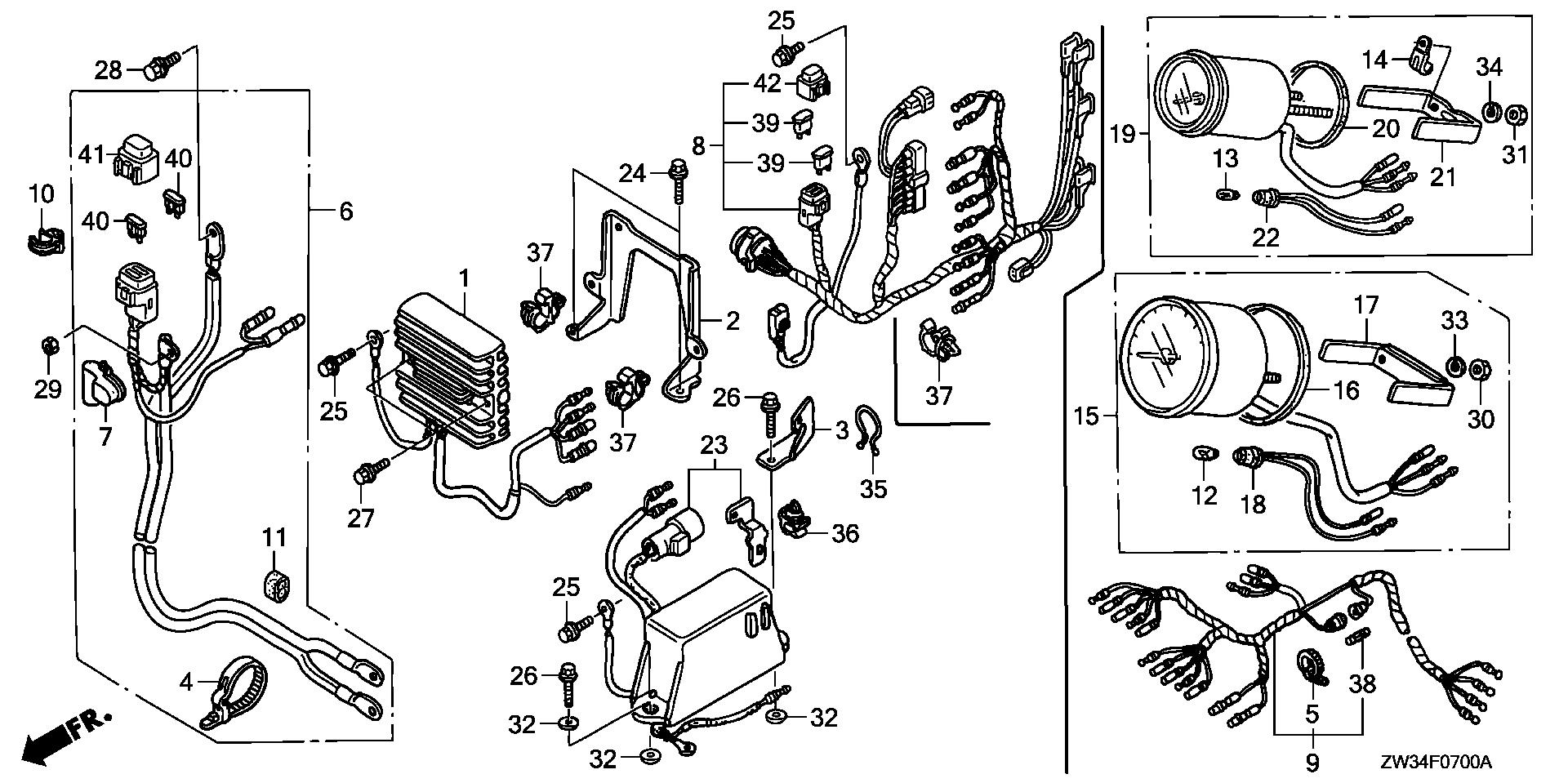
Mid - Large Outboard Engines (25 - 250hp) BF BF50 BF50A4 LRTA BAZS-3400001-3499999 REGULATOR - Skyline Marina

Ref No
Part Number
Description
Serial Range
Qty
Price

Ref No
1
Part Number
31600-ZV5-003
Description
RECTIFIER ASSY., REGULATOR (12A) (NOT AVAILABLE)
Serial Range
1000001 - 9999999

Ref No
2
Part Number
31604-ZW4-H00
Description
BRACKET, REGULATOR
Serial Range
3701034 - 9999999
Qty
Price
$30.48

Ref No
3
Part Number
32114-ZV5-821
Description
BRACKET, HARNESS CLIP
Serial Range
1000001 - 9999999

Ref No
4
Part Number
32121-HA0-003
Description
BAND, WIRE
Serial Range
1000001 - 9999999
Qty
Price
$10.38

Ref No
5
Part Number
32161-404-000
Description
BAND B1, WIRE
Serial Range
1000001 - 9999999
Qty
Price
$2.86

Ref No
6
Part Number
32410-ZW4-H10
Description
CABLE ASSY., STARTER (PTT) (NOT AVAILABLE)
Serial Range
1000001 - 9999999

Ref No
7
Part Number
32411-ZV5-003
Description
COVER, TERMINAL
Serial Range
1000001 - 9999999
Qty
Price
$7.64

Ref No
8
Part Number
32520-ZW4-H10
Description
CABLE ASSY., REMOTE CONTROL (A) (NOT AVAILABLE)
Serial Range
1000001 - 9999999

Ref No
9
Part Number
32540-ZV5-911
Description
HARNESS ASSY., METER (A)
Serial Range
1000001 - 9999999
Qty
Price
$129.16

Ref No
10
Part Number
32660-MJ6-710
Description
CLAMP, WIRE
Serial Range
1000001 - 9999999
Qty
Price
$4.56

Ref No
11
Part Number
32903-701-000
Description
CLAMP, IGNITION WIRE
Serial Range
1000001 - 9999999
Qty
Price
$2.26

Ref No
12
Part Number
34908-MB9-871
Description
BULB, WEDGE BASE (T10) (12V 1.7W) (STANLEY)
Serial Range
1000001 - 9999999
Qty
Price
$3.56

Ref No
15
Part Number
37250-ZV5-823
Description
TACHOMETER ASSY.
Serial Range
1000001 - 9999999

Ref No
16
Part Number
37253-ZV5-821
Description
GASKET
Serial Range
1000001 - 9999999
Qty
Price
$5.48

Ref No
17
Part Number
37256-ZV5-821
Description
BRACKET
Serial Range
1000001 - 9999999
Qty
Price
$29.02

Ref No
18
Part Number
37258-ZV5-821
Description
SOCKET
Serial Range
1000001 - 9999999
Qty
Price
$21.40

Ref No
23
Part Number
38550-ZV5-823
Description
RELAY ASSY., POWER TILT (NOT AVAILABLE)
Serial Range
1000001 - 9999999

Ref No
24
Part Number
90013-ZV0-010
Description
BOLT, FLANGE (6X12) (CT200)
Serial Range
1000001 - 9999999
Qty
Price
$2.38

Ref No
25
Part Number
90013-ZW4-000
Description
BOLT, FLANGE (6X12) (CT200)
Serial Range
1000001 - 9999999
Qty
Price
$3.26

Ref No
26
Part Number
90104-ZZ5-M01
Description
BOLT, FLANGE (6X18) (CT200)
Serial Range
1000001 - 9999999
Qty
Price
$2.46

Ref No
27
Part Number
90018-ZW5-000
Description
BOLT, FLANGE (6X20)
Serial Range
1000001 - 9999999
Qty
Price
$2.18

Ref No
28
Part Number
90107-ZW4-000
Description
BOLT, FLANGE (8X12) (NOT AVAILABLE)
Serial Range
1000001 - 9999999

Ref No
29
Part Number
90203-ZV5-000
Description
NUT, HEX. (6MM)
Serial Range
1000001 - 9999999
Qty
Price
$2.04

Ref No
30
Part Number
90309-ZV5-821
Description
NUT, HEX. (5MM)
Serial Range
1000001 - 9999999
Qty
Price
$1.88

Ref No
32
Part Number
90403-ZW1-000
Description
WASHER, PLAIN (6MM)
Serial Range
1000001 - 9999999
Qty
Price
$2.28

Ref No
33
Part Number
90550-ZV5-821
Description
WASHER, SPRING (5MM)
Serial Range
1000001 - 9999999
Qty
Price
$1.58

Ref No
35
Part Number
90630-751-000
Description
CLIP, PURSE LOCK
Serial Range
1000001 - 9999999
Qty
Price
$2.46

Ref No
36
Part Number
90659-735-921
Description
CLIP, CORD
Serial Range
1000001 - 9999999
Qty
Price
$3.16

Ref No
37
Part Number
90682-ZV5-003
Description
CLIP, WIRE HARNESS
Serial Range
1000001 - 9999999
Qty
Price
$2.22

Ref No
38
Part Number
98200-11000
Description
FUSE A (10A)
Serial Range
1000001 - 9999999
Qty
Price
$2.20

Ref No
39
Part Number
98200-31000
Description
FUSE, BLADE (10A)
Serial Range
1000001 - 9999999
Qty
Price
$1.60

Ref No
40
Part Number
98200-31500
Description
FUSE, BLADE (15A)
Serial Range
1000001 - 9999999
Qty
Price
$1.60

Ref No
41
Part Number
38216-ZV5-003
Description
COVER ASSY., FUSE (15A)
Serial Range
1000001 - 9999999
Qty
Price
$5.30

Ref No
42
Part Number
38218-ZW5-004
Description
COVER ASSY., FUSE (10A)
Serial Range
1000001 - 9999999
Qty
Price
$7.58