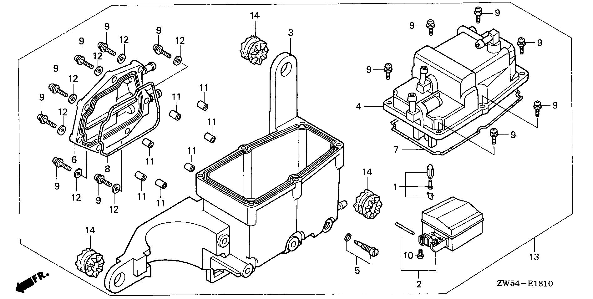
Mid - Large Outboard Engines (25 - 250hp) BF BF115 BF115AX XCA BZBG-1000001-1099999 VAPOR SEPARATOR (1) - Skyline Marina

Ref No
Part Number
Description
Serial Range
Qty
Price

Ref No
1
Part Number
16011-ZY3-A01
Description
VALVE SET, FLOAT
Serial Range
1019108 - 9999999
Qty
Price
$56.92

Ref No
2
Part Number
16013-ZW5-000
Description
FLOAT SET (NOT AVAILABLE)
Serial Range
1004471 - 9999999

Ref No
3
Part Number
16015-ZW5-000
Description
BODY, CHAMBER
Serial Range
1004471 - 9999999

Ref No
4
Part Number
16020-ZW5-000
Description
COVER (NOT AVAILABLE)
Serial Range
1004471 - 9999999

Ref No
5
Part Number
16024-ZY3-000
Description
SCREW SET, DRAIN
Serial Range
1004471 - 9999999
Qty
Price
$16.20

Ref No
6
Part Number
16061-ZW5-000
Description
COVER, WATER JACKET
Serial Range
1004471 - 9999999
Qty
Price
$114.18

Ref No
7
Part Number
16075-ZW5-000
Description
O-RING (NOT AVAILABLE)
Serial Range
1004471 - 9999999

Ref No
8
Part Number
16076-ZW5-000
Description
O-RING (NOT AVAILABLE)
Serial Range
1004471 - 9999999

Ref No
9
Part Number
16081-ZW5-010
Description
SCREW-WASHER
Serial Range
1004471 - 9999999
Qty
Price
$5.56

Ref No
10
Part Number
16082-ZW5-000
Description
SCREW, PAN (4X8)
Serial Range
1004471 - 9999999

Ref No
11
Part Number
16086-ZW5-000
Description
COLLAR, SET
Serial Range
1004471 - 9999999
Qty
Price
$4.44

Ref No
12
Part Number
16087-ZW5-000
Description
WASHER, PLAIN
Serial Range
1004471 - 9999999
Qty
Price
$4.92

Ref No
13
Part Number
06167-ZW5-305
Description
SEPARATOR ASSY., VAPOR
Serial Range
1004471 - 9999999

Ref No
13
Part Number
06167-ZW5-345
Description
SEPARATOR ASSY., VAPOR
Serial Range
1004471 - 9999999
Qty
Price
$1,335.04

Ref No
14
Part Number
16733-ZW5-000
Description
GROMMET, VAPOR SEPARATOR
Serial Range
1004471 - 9999999
Qty
Price
$8.84